Skip to main
  • Meer dan 8000 m2 aan magazijn beschikbaar

  • Meer dan 50 jaar ervaring

  • Contact met specialisten op gebied van reiniging

  • Wij leveren topkwaliteit voor de laagste prijs

Hydrofoorset VS8-6

Kenmerken
  • 2,2 kW
  • 400 Volt
  • Meer dan 8000 m2 aan magazijn beschikbaar

  • Meer dan 50 jaar ervaring

  • Contact met specialisten op gebied van reiniging

  • Wij leveren topkwaliteit voor de laagste prijs

Specificaties

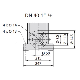
Aansluiting 1 (in) DN40
Aansluiting 2 (uit) DN40
Aansluitwaarde 400 V
Debiet 220 L/min
Max temperatuur in 110 °C
Spanning 400 Volt
Temperatuur max. 110 °C
Toerental 2900 r.p.m.
Type VS8-6
Verkoopeenheid st
Vermogen 2,2 kW
Voeding Elektrisch (draad)

Onderdelen

Vind middels onze exploded views simpel en snel het juiste onderdeel.

03 Waterkracht Building Varsseveld 3 14 Final
Heb je een vraag of hulp nodig?

Onze specialisten helpen je graag verder bij je zoektocht naar een oplossing die aansluit op jouw vraagstuk!