Skip to main
  • Meer dan 8000 m2 aan magazijn beschikbaar

  • Meer dan 50 jaar ervaring

  • Contact met specialisten op gebied van reiniging

  • Wij leveren topkwaliteit voor de laagste prijs

ME 25K80-60/2P

Horizontale elektro centrifugaalpomp van een bijzonder robuuste constructie en compact van bouwvorm.

Kenmerken
  • 1250 L/min
  • 400 Volt
  • 18,5 kW
  • Meer dan 8000 m2 aan magazijn beschikbaar

  • Meer dan 50 jaar ervaring

  • Contact met specialisten op gebied van reiniging

  • Wij leveren topkwaliteit voor de laagste prijs

Productinformatie

Deze pompen worden gekenmerkt door hun uitzonderlijk hoge pomprendement. Speciaal ontworpen voor de toenemende vraag naar moderne beregeningsinstallaties. Door de robuuste constructie en het hoge rendement zijn deze pompunits overal inzetbaar.

Specificaties

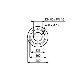
Aansluiting 1 (in) DN/PN - 80/16
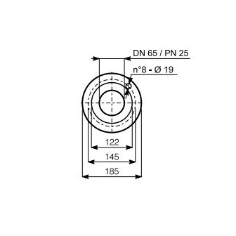
Aansluiting 2 (uit) DN/PN - 65/25
Aansluitwaarde 400 V
Debiet 1250 L/min
Max temperatuur in 90 °C
Spanning 400 Volt
Temperatuur max. 90 °C
Verkoopeenheid st
Vermogen 18,5 kW
Voeding Elektrisch (draad)

Onderdelen

Vind middels onze exploded views simpel en snel het juiste onderdeel.

03 Waterkracht Building Varsseveld 3 14 Final
Heb je een vraag of hulp nodig?

Onze specialisten helpen je graag verder bij je zoektocht naar een oplossing die aansluit op jouw vraagstuk!