Skip to main
  • More than 8000 m2 of warehouse available

  • More than 50 years of experience

  • Contact with cleaning specialists

  • We deliver top quality at the lowest price

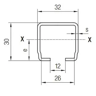
C-rail 30x32x6000

Per metre, galvanised, supplied in 6-metre lengths.

Article number 315109000 View all specifications
Features
  • C-rail
  • More than 8000 m2 of warehouse available

  • More than 50 years of experience

  • Contact with cleaning specialists

  • We deliver top quality at the lowest price

Product information

To bridge long distances between object and pump, a rail system can be supplied to protect the hose against wear and kinks.

Specifications

Sales unit m
Type C-rail
Weight 0.95 kg
03 Waterkracht Building Varsseveld 3 14 Final
Do you have a question or need help?

Our specialists will be happy to help you further in your search for a solution that matches your issue!